Россия
Россия
Развитие цифровых технологий служит важным инструментом для решения актуальных задач, в сфере строительства новых и реконструкции существующих объектов недвижимости. Повсеместное внедрение в практику современных программных комплексов, реализующих BIM-технологии, позволяет избегать ошибок при создании расчетных моделей зданий и сооружений для анализа стойкости к прогрессирующему обрушению. В настоящей статье рассматривается влияние способа формирования расчетной модели на качественные и количественные показатели параметров напряженно-деформированного состояния несущей системы. Методы исследования основаны на сравнении результатов анализа и установленных параметров напряженно-деформированного состояния расчетной модели многоэтажного здания из монолитного железобетона при сравнении их с результатами экспериментальных исследований. Установлено, что применение BIM-технологий, в частности, системы графического редактора алгоритмов для построения расчетной схемы здания средствами программного комплекса «САПФИР-3D», при анализе стойкости к явлениям прогрессирующего обрушения, не снижает качества выполненной расчетной модели. В совокупности со снижением трудоемкости и числа возможных ошибок применение описанной технологии формирования расчетной модели позволит уменьшить сроки выполнения проектных работ, что позволить сократить время, необходимое на подготовку необходимой документации.
живучесть, BIM, информационная модель здания, аналитическая модель, расчетная схема
Введение
По данным аналитиков [1] строительная отрасль находится позади лидеров цифровой трансформации таких как сектор информационных технологий и разработки программного обеспечения, а также банковской сферы. Современная действительность предъявляет новые, ранее не предъявляемые требования к проектированию объектов строительства. В частности, с января 2022 года при заключении договора о подготовке проектной документации для строительства, реконструкции, капитального ремонта объекта, финансируемого с привлечением бюджетных средств, формирование и ведение информационной модели объекта становится обязательным для заказчика, застройщика, технического заказчика и эксплуатирующей организации [2].
В ходе исследования [3] было выявлено, что использование BIM-технологии способствует повышению экономической эффективности инвестиционно-строительных проектов, в том числе, отмечается сокращение периода окупаемости инвестиционно-строительного проекта до 17%, снижение себестоимости проекта, связанной со снижением затрат на стадии строительства до 30%.
Внедрение технологии BIM технологий в проектную деятельность является неотъемлемой составляющей эффективного функционирования проектной организации, при этом совокупные затраты от внедрения BIM-технологий уменьшаются с течением времени, а эффективность и рентабельность деятельности увеличиваются до 50% [4].
Современные расчетные программные комплексы, такие как STARK ES [5], «ЛИРА САПР» и «САПФИР-3D» [6,7], Tekla Struktures [8], Autodesk Robot и Autodesk Revit [9] и LS-DYNA [10] используя аналитическую модель здания, позволяют точно формировать расчетную модель с ее физическими и геометрическими свойствами для различных расчетных ситуаций, возникающих в период всего жизненного цикла сооружения, включая в ом числе и аварийные воздействия.
Целью настоящей работы я является демонстрация преимуществ и верификации расчетной модели, построенной средствами системы графического редактора алгоритмов «САПФИР-3D» при анализе опасности прогрессирующего обрушения многоэтажного здания из монолитного железобетона.
Материалы и методы
Для демонстрации методики оценки живучести несущей системы здания как на стадии проектирования, так и реконструкции выполним создание и расчетный анализ опасности прогрессирующего обрушения на примере фрагмента многоэтажного здания из монолитного железобетона.
Для достоверности корректности предлагаемого подхода к моделированию анализ параметров напряженно-деформированного состояния будем сопоставлять с результатами проведенных авторами экспериментальных исследований, опубликованных в работах [11].
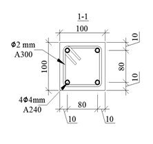
Рассматриваемая система выполнена в виде двухпролетной трехэтажной рамы выполненной из бетона класса В15. Ригели рам армированы в верхней и нижней зоне симметричной арматурой по высоте сечения рабочей арматурой в виде двух стержней диаметром 6мм класса А240 показана на рисунке 1.
Поперечная арматура ригелей принята из проволоки диаметром 2 мм шагом 50мм и 100мм у опор и в пролете соответственно. Такое армирование назначено по результатам расчета опытных конструкций рам на заданную проектную нагрузку в виде сосредоточенных сил Fi приложенных попарно к каждому ригелю симметрично на расстоянии 1/3 расчетного пролета. Нагрузка на ригели первого, второго и третьего уровня перед аварийным воздействием составляла F1= 3,28 кН, F2= 2,13 кН и F3= 1,48 кН соответственно.

Рис. 1. Параметры расчетной модели, импортируемой для расчетного анализа в ПК «ЛИРА САПР»
Для передачи проектной нагрузки была использована механическая гравитационная рычажная установка [12], состоящая из рычага и комплекта тяжей и распределительных балок, передающих на раму нагрузку от платформы со штучными грузами. Испытания проводились по методике [13] с измерением и фиксацией прогибов, перемещений, деформаций бетона и арматуры, фиксаций характера образования, развития и раскрытия и закрытия трещин на разных этапах нагружения. Рассматриваемыми сценариями особого воздействия были выбраны удаление средней и крайней колонны первого этажа.
Результаты
Рассмотрим решение задачи защиты несущей системы реконструируемого здания, когда информационное моделирование осуществляется по результатам определения существующих топологических параметров (таких как: габаритные размеры сечений, прочностные характеристики материалов, тип и характер армирования) конструктивной системы здания, выявленных в результате работ по обследованию.
В основной своей массе существующие здания не имеют информационной модели (BIM), поэтому работа по начинается с изучения проектной документации и уточнением действительности ее соответствия с фактическим исполнением. Построение информационной модели здания упростит использование встроенного в ПК «САПФИР-3D» инструмента – системы визуального программирования, с помощью которой можно выполнять параметрическое моделирование зданий и сооружений произвольной формы. Данная система представляет собой графический редактор алгоритмов, который использует инструменты моделирования обозначенного программного комплекса.
Результатом работы Генератора является 3D модель, состоящая из базовых объектов: колонн, балок, стен, плит, свай, ферм, поверхностей, нагрузок, граничных условий и других объектов. При совместной работе «Генератор» и ПК «САПФИР-3D» дают возможность использовать точный параметрический контроль над моделью с последующим ее экспортом в ПК «ЛИРА-САПР» для дальнейшего расчетного анализа.
На первом этапе необходимо подготовить геометрическую модель в виде поверхностей (для геометрически сложных форм) в формате *.obj, либо геометрические примитивов в формате *.dxf (точки, линии, полилинии, контуры) схема подложки представлена на рисунке 2. Если здание многоэтажное, важно, чтобы планы имели общую привязку относительно начала координат (0;0;0).
Для корректного отображения каждого из создаваемых элементов конструктивной системы, они привязаны каждый к своим слоям на чертеже. Колонны в слое «Колонна», балки в слое «Балка», проектные нагрузки, приложенные к раме в слое «Нагрузка».

Рис. 2. Подготовленная подложка фрагмента здания в формате *.dxf
При изменении исходных данных в других САПР (редактирование формы поверхности или корректировка *.dxf файла) выполняется автоматическое обновление модели в «Генераторе».
Графический алгоритм создания модели исследуемой системы показан на рисунке 3, в котором для описания высотных характеристик задаются НОДом 1 – «Продвинутое создание этажей», где указывают количество этажей и их геометрические параметры при помощи НОДа 2 – «Вещественное число». Поскольку в рассматриваемом примере несущая конструктивная всех этажей одинаковая, то для создания расчетной модели здания можно ограничиться одной группой НОДов, применив заданные параметры для всех этажей. Для удобства пользователя присутствует возможность группирования НОДов по группам.
Создание начинается с установки активности текущего этажа. Затем, при помощи НОДа 3 «Импорт подложки из файла» выбирается файл, на основании которого при помощи НОДа 4 «Фильтровать элементы заданного слоя» производится генерация параметров несущих конструкций здания: 5 «Колонна», 6 «Балка» и нагрузочных параметров 7 «Нагрузки» с их геометрической привязкой. Результатом проделанных операций будет сформированная физическая модель здания, с заданными характеристиками работы конструкционных материалов и установленными граничными условиями взаимодействия с грунтовым основанием.

Рис. 3. Система графического редактора алгоритмов, использованная для формирования расчетной модели несущего железобетонного каркаса многоэтажного здания.
После проверки физической модели на наличие ошибок и, если это необходимо их исправлений производится формирование расчетной МКЭ, показанной на рисунке 4 –модели с заданным шагом триангуляции и передача в ПК ЛИРА САПР» для дальнейшего квазистатического или динамического анализа опасности прогрессирующего обрушения исследуемой несущей системы (Рис. 4б).

Рис. 4. Расчетная схема (а) и эпюра изгибающих моментов (б) при эксплуатационных нагрузках (кН*м)
Для учета нелинейного характера работы материала есть возможность задать параметры диаграмм состояния материалов: арматуры и бетона с различными видами аналитического описания зависимости «напряжения-деформации».
Результаты
На основании выполненной процедуры автоматического создания каркаса многоэтажного здания для оценки живучести его несущей системы, можно отметить высокую точность и быстрые сроки формирования расчетной модели при помощи графического редактора алгоритмов, позволяющего снизить трудоемкость и сроки выполнения проектных работ.
Результаты расчетного анализа в виде качественных и количественных значений параметров напряженно-деформированного состояния убедительно согласуются с результатами экспериментальных исследований, выполненных для рассматриваемой конструктивной системы.
Выводы
Применение BIM-технологий, в частности, системы графического редактора алгоритмов для построения расчетной схемы здания средствами программного комплекса «САПФИР-3D», при анализе стойкости к явлениям прогрессирующего обрушения, не снижает качества выполненной расчетной модели.
В совокупности со снижением трудоемкости и числа возможных ошибок применение описанной технологии формирования расчетной модели позволит уменьшить сроки выполнения проектных работ, что позволить сократить время, необходимое на подготовку необходимой документации.
1. Постановление Правительства от 5 марта 2021 года № 331 http://government.ru/docs/all/133174/
2. Цифровая трансформация в России - 2020, https://komanda-a.pro/projects/dtr_2020
3. Грахов В.П., Симченко О.Л., Русинова Н.С. и др. Обоснование необходимости использования BIM-технологий с целью повышения эффективности проектной деятельности предприятия // Социально-экономическое управление: теория и практика. - 2019. - № 2(37). - С. 103-106.
4. Привалова М.А., Корепанова Н.С., Кузнецов А.Л., Симченко И.В. Предпосылки развития системы управления рисками, возникающими при внедрении BIM-технологий в проектные организации Удмуртской Республики // Интеллектуальные системы в производстве. - 2020. - Т. 18. - № 2. - С. 96-105. DOIhttps://doi.org/10.22213/2410-9304-2020-2-96-105.
5. Жук Ю.Н., Курнавин В.В., Панасенко Ю.В. Особенности проектирования крупнопанельных зданий с применением программных платформ для информационного моделирования (BIM) и программных комплексов расчета конструкций // Жилищное строительство. - 2017. - № 5. - С. 20-25.
6. Водопьянов Р.Ю. Моделирование и расчет крупнопанельных зданий в ПК ЛИРА-САПР 2017 // Жилищное строительство. - 2017. - № 3. - С. 42-48.
7. Губченко В.Е. Работа с инструментом "Стык" ПК ЛИРА-САПР // Жилищное строительство. - 2018. - № 3. - С. 30-35.
8. Елин Д.А., Макаров А.Д. Макаров Эффективное использование компонентов в среде Tekla structures // Инженерные и социальные системы : сборник научных трудов института архитектуры, строительства и транспорта ИВГПУ. - Иваново : Ивановский государственный политехнический университет. - 2020. - С. 37-40.
9. Gilemkhanov R., Bagautdinov R., Kankhva V. Autodesk Revit and Robot Structural Analysis in Design of Framed Buildings // Advances in Intelligent Systems and Computing (см. в книгах). - 2017. - Vol. 692. - P. 1036-1045. DOIhttps://doi.org/10.1007/978-3-319-70987-1_112.
10. Ву Н.Т. Исследование живучести железобетонной конструктивнонелинейной рамно-стержневой системы каркаса многоэтажного здания в динамической постановке // Строительство и реконструкция. - 2020. - № 4(90). - С. 73-84. DOIhttps://doi.org/10.33979/2073-7416-2020-90-4-73-84.
11. Федорова Н. В. Фан Д.К., Нгуен Т.Ч. Экспериментальные исследования живучести железобетонных рам с ригелями, усиленными косвенным армированием // Строительство и реконструкция. - 2020. - № 1(87). - С. 92-100. DOIhttps://doi.org/10.33979/2073-7416-2020-87-1-92-100.
12. Fedorova, N.V., Ngoc V.T. Deformation and failure of monolithic reinforced concrete frames under special actions // Journal of Physics: Conference Series: International Scientific Conference on Modelling and Methods of Structural Analysis 2019, Moscow. - 2020. - P. 012033. DOIhttps://doi.org/10.1088/1742-6596/1425/1/012033.
13. Kolcunov, V.I., Tuyen V.N., Korenkov P.A. Deformation and Failure of a Monolithic Reinforced Concrete Frame under Accidental Actions // IOP Conference Series: Materials Science and Engineering : International Science and Technology Conference "FarEastCon 2019", Vladivostok, Russky Island, - 2020. - P. 032037. DOIhttps://doi.org/10.1088/1757-899X/753/3/032037.




